Kategorie: Handbremsseile / Verbindungselemente
Einklappbarer Inhalt

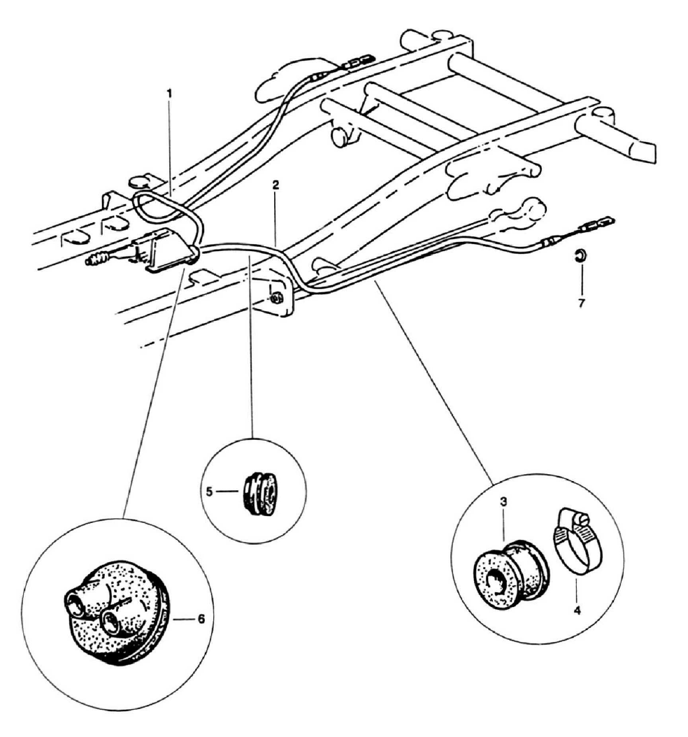
Produktübersicht nach Bildnummer (Explosionszeichnung)
1. BREMSSEILZUG RECHTS 2,24M
2. BREMSSEILZUG LINKS 2,09M
3. DAEMPFUNGSRING
4. SCHLAUCHKLEMME PEBRA HKV
5. TUELLE
6. TUELLE
7. FEDERKLIPP
Brauchen Sie Hilfe?
Prüfen Sie anhand der Explosionszeichnung, welches Ersatzteil Sie benötigen.
Die entsprechende Nummer finden Sie bei der Produktübersicht wieder.
Sie sind sich nicht sicher oder finden das passende Ersatzteil nicht? Zögern Sie nicht, uns zu kontaktieren!
('Kontakt' > 'Kontaktieren Sie uns')
Die Ersatzteile stammen aus den ehemaligen Lagerbeständen der Schweizer Armee.
Es handelt sich bei den meisten Teilen um Original Mercedes oder Bosch Artikel, welche für den Puch 230 GE gefertigt wurden.
-
FEDERKLIPP A6019930025
Normaler Preis CHF 1.60Normaler PreisGrundpreis / pro -
BREMSSEILZUG RECHTS 2,24M A4604303154
Normaler Preis CHF 109.70Normaler PreisGrundpreis / pro -
DAEMPFUNGSRING A4604270086
Normaler Preis CHF 1.70Normaler PreisGrundpreis / pro