Kategorie: Klappe / Verriegelung (rechts IMFS)
Einklappbarer Inhalt

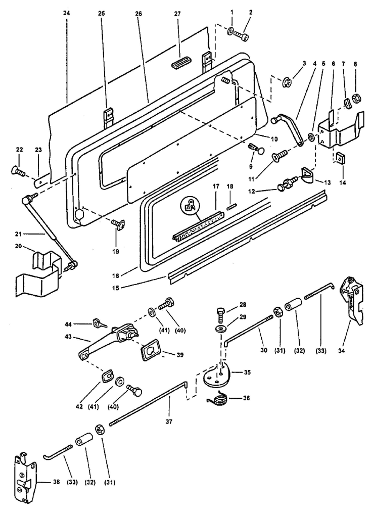
Produktübersicht nach Bildnummer (Explosionszeichnung)
1. UNTERLAGSCHEIBE d10,5/18X1,6MM DIN 433
2. ZYLINDERSCHRAUBE MIT INNENSECHSKANT
3. FLANSCHMUTTER
4. HALTER
5. UNTERLAGSCHEIBE d8,4/21X4MM DIN 7349
6. HALTER HINTEN
7. FEDERSCHEIBE B d8MM DIN 137
8. SICHERUNGSMUTTER M8 ISO 7042
9. SPREIZNIET
10. ABDECKUNG
11. SENKSCHRAUBE 90GRAD MIT KREUZSCHLITZ H
12. BOLZEN
13. HAKEN
14. PLATTE
15. VERSTAERKUNG UNTEN
16. RAHMEN
17. ABDICHTUNG (DICHTUNG)
18. ABDICHTSCHLAUCH
19. SCHRAUBE
20. HALTER VORNE
21. GASDRUCKFEDER d19X160X405MM 300N
22. LINSENSENKSCHRAUBE 90GRAD MIT KREUZ-
23. LEISTE
24. ABDECKUNG
25. SCHARNIER
26. KLAPPE
27. ABDICHTUNG
28. SECHSKANTSCHRAUBE M5X12 ISO 4017
29. UNTERLAGSCHEIBE d5,3/15X1,2MM DIN 9021
30. ZUGSTANGE HINTEN
31. SECHSKANTMUTTER M4 ISO 4032
32. HALTER
33. ZUGSTANGE
34. SCHLOSS HINTEN
35. HALTER
36. FEDER
37. ZUGSTANGE VORNE
38. SCHLOSS VORNE
39. UNTERLAGE
40. SECHSKANTSCHRAUBE M6X12 ISO 4017
41. UNTERLAGSCHEIBE A d6,4/12X1,6MM DIN 125
42. UNTERLAGE
43. TUERGRIFF OHNE SCHLUESSEL,
44. SCHLUESSEL (SCHLUESSEL-NR BITTE ANGEBEN)
Brauchen Sie Hilfe?
Prüfen Sie anhand der Explosionszeichnung, welches Ersatzteil Sie benötigen.
Die entsprechende Nummer finden Sie bei der Produktübersicht wieder.
Sie sind sich nicht sicher oder finden das passende Ersatzteil nicht? Zögern Sie nicht, uns zu kontaktieren!
('Kontakt' > 'Kontaktieren Sie uns')
Die Ersatzteile stammen aus den ehemaligen Lagerbeständen der Schweizer Armee.
Es handelt sich bei den meisten Teilen um Original Mercedes oder Bosch Artikel, welche für den Puch 230 GE gefertigt wurden.
-
GASDRUCKFEDER d19X160X405MM 300N
Normaler Preis CHF 24.65Normaler PreisGrundpreis / pro -
UNTERLAGE A6017660297
Normaler Preis CHF 3.50Normaler PreisGrundpreis / pro -
ABDICHTSCHLAUCH A4607270293
Normaler Preis CHF 7.50Normaler PreisGrundpreis / pro -
UNTERLAGE A6017660197
Normaler Preis CHF 7.10Normaler PreisGrundpreis / pro